Quoi qu'est ce ? Le sujet est résolu
-
JaniusPocus
Quoi qu'est ce ?
messieurs Dames bonjour ,
Je dispose d'une Golf 1 cab' en finition Karman d'origine ( import schleuh par son ancien proprio il y a perpet déja ) , je souhaiterai remplacer deux éléments branché sur les alimentations hydrau des freins arriere , là dessus les avis divergent .
Pour certain ces bidules seraient des régulateurs de préssion pour d'autre cela serait des clapet de préssion résiduel pour les tambours arrieres . Ces éléments portent les references d'origine 533 612 151 et n'est plus disponible en france , en europe , sur la terre et sont en rupture meme sur Saturn .
Dans un premier temps et avec la force de dieu je souhaiterai que nous puissiont identifier ce que sont ces éléments , ensuite avec votre aide et la bénédiction du pape Benoit trouver une solution de remplacement sans qu'il ne soit obliger de prendre le dernier vol de discovery pour la lune .
Cordialement ............... pitié ...........
Je dispose d'une Golf 1 cab' en finition Karman d'origine ( import schleuh par son ancien proprio il y a perpet déja ) , je souhaiterai remplacer deux éléments branché sur les alimentations hydrau des freins arriere , là dessus les avis divergent .
Pour certain ces bidules seraient des régulateurs de préssion pour d'autre cela serait des clapet de préssion résiduel pour les tambours arrieres . Ces éléments portent les references d'origine 533 612 151 et n'est plus disponible en france , en europe , sur la terre et sont en rupture meme sur Saturn .
Dans un premier temps et avec la force de dieu je souhaiterai que nous puissiont identifier ce que sont ces éléments , ensuite avec votre aide et la bénédiction du pape Benoit trouver une solution de remplacement sans qu'il ne soit obliger de prendre le dernier vol de discovery pour la lune .
Cordialement ............... pitié ...........
-
Tracide
Re: Quoi qu'est ce ?
salut a toi,
la 1ere chose a faire est de se présenter. :insult
la 2eme précisé le modèle de ta golf :enerve
la 3eme de mettre des photos de ton problème si possible. :yeux
la 4eme appliquer les solutions que tu trouvera sur ce forum
:mdr
a bientot
la 1ere chose a faire est de se présenter. :insult
la 2eme précisé le modèle de ta golf :enerve
la 3eme de mettre des photos de ton problème si possible. :yeux
la 4eme appliquer les solutions que tu trouvera sur ce forum
a bientot
-
richie1973
- Général forumeur

- Messages : 3493
- Enregistré le : mar. juil. 12, 2005 18:37 pm
- Voiture : Golf 1 cabriolet
- Année : 1989
- Version : Best Seller
- Motorisation : 2H : 1.8 l 98 cv
- Couleur : LA5Y Bleu Hélios Métal
- Jantes : AVUS (de série)
- Localisation : COLMAR
- Âge : 52
- Contact :
-
JaniusPocus
Re: Quoi qu'est ce ?
Permettez de m'excuser pour cette arrivée des plus cavalière , en effet je rédige une présentation dans la section conçerné .
il s'agirait donc de régulateurs de pression ? .......
Alors pour plus de précisions voici le type mine de la buèteu : 155EX20 et les photos arrivent des que possible .
cordialement .
il s'agirait donc de régulateurs de pression ? .......
Alors pour plus de précisions voici le type mine de la buèteu : 155EX20 et les photos arrivent des que possible .
cordialement .
-
Jed
- Hall of Fame

- Messages : 3868
- Enregistré le : jeu. juin 14, 2007 23:35 pm
- Voiture : Golf 1 cabriolet
- Année : 1985
- Version : GL
- Motorisation : EX : 1.8 l 90 cv
- Couleur : LA8Y Gris Bronze Métal
- Jantes : ZANDVOORT (de série)
- Lien vers la présentation : viewtopic.php?f=2&t=13079
- Localisation : 92 / 27
Re: Quoi qu'est ce ?
SI tu peux commencer par éviter le terme schleuh ça serait déjà un bon début (pourquoi pas Boches pendant qu'on y est ?)
ensuite pour répondre à ta question c'est bien un régulateur de pression et c'est le même que sur les Scirocco
cette voiture est de quelle année ?
ça doit être un truc dans ce genre là
http://www.oscaro.com/regulateur-de-fre ... 787-722-gt" onclick="window.open(this.href);return false;
ensuite pour répondre à ta question c'est bien un régulateur de pression et c'est le même que sur les Scirocco
cette voiture est de quelle année ?
ça doit être un truc dans ce genre là
http://www.oscaro.com/regulateur-de-fre ... 787-722-gt" onclick="window.open(this.href);return false;
Fervent partisan du 100 % d'origine

attention ! uniquement bouchon VW pas une cochonnerie chinoise !

attention ! uniquement bouchon VW pas une cochonnerie chinoise !
-
JaniusPocus
Re: Quoi qu'est ce ?
Alors malheureusement il ne sagit pas de l'entrée 2/2 du régulateur de pression assisté à la charge , ce qui est en défaut sur le model est bien ce qui me semblerai être des régulateur de pression résiduel car ils sont de formes cylindriques et sont monté en série sur chacun des tuyau partant vers l’arrière , un peut comme des gros olives .
Le véhicule est de 87 avec le type mine 155EX20 ....
Le véhicule est de 87 avec le type mine 155EX20 ....
-
Jed
- Hall of Fame

- Messages : 3868
- Enregistré le : jeu. juin 14, 2007 23:35 pm
- Voiture : Golf 1 cabriolet
- Année : 1985
- Version : GL
- Motorisation : EX : 1.8 l 90 cv
- Couleur : LA8Y Gris Bronze Métal
- Jantes : ZANDVOORT (de série)
- Lien vers la présentation : viewtopic.php?f=2&t=13079
- Localisation : 92 / 27
Re: Quoi qu'est ce ?
Bon ben le plus simple, comme dit plus haut, ce sont les photos...
ça serait la pièce en bas n°1 que je ne serais pas très surpris

Modifié en dernier par Jed le mar. mai 17, 2011 19:41 pm, modifié 1 fois.
Fervent partisan du 100 % d'origine

attention ! uniquement bouchon VW pas une cochonnerie chinoise !

attention ! uniquement bouchon VW pas une cochonnerie chinoise !
-
JaniusPocus
Re: Quoi qu'est ce ?
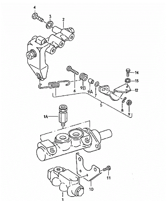
Ahhhhh il sagit en effet de la piece 1A mais du coup à la vue de l'exelllllllente clareté du schéma je me demande c'est quoi qu'est que la piece 1 tout court ?
-
coolraver
- Président forumeur

- Messages : 12313
- Enregistré le : mer. sept. 22, 2004 20:32 pm
- Voiture : Golf 1 cabriolet
- Année : 1985
- Version : GLI
- Motorisation : KT : 1.8 l 112 cv
- Couleur : LA8Y Gris Bronze Métal
- Jantes : ATS Cup
- Lien vers la présentation : viewtopic.php?f=2&t=9876
- Âge : 63
Re: Quoi qu'est ce ?
JaniusPocus a écrit :Alors malheureusement il ne sagit pas de l'entrée 2/2 du régulateur de pression assisté à la charge , ce qui est en défaut sur le model est bien ce qui me semblerai être des régulateur de pression résiduel car ils sont de formes cylindriques et sont monté en série sur chacun des tuyau partant vers l’arrière , un peut comme des gros olives .
Le véhicule est de 87 avec le type mine 155EX20 ....
j'en ai deux a vendre, MP si interessé

VW.GOLFSWAGG
L'expérience est une lanterne accrochée dans le dos, qui n'éclaire que le chemin parcouru.
-
Fredrs2
Re: Quoi qu'est ce ?
moi je veux bien car jamais vuJaniusPocus a écrit :....les photos arrivent des que possible
-
JaniusPocus
Re: Quoi qu'est ce ?
Les photos ne devraient point tarder , conçernant les éléments dont vous disposez coolraver sagit il de pièces neuves ou d'ocaz' et pouraije avoir un cliché histoire de confirmer la chose s'il vous plait ?
-
coolraver
- Président forumeur

- Messages : 12313
- Enregistré le : mer. sept. 22, 2004 20:32 pm
- Voiture : Golf 1 cabriolet
- Année : 1985
- Version : GLI
- Motorisation : KT : 1.8 l 112 cv
- Couleur : LA8Y Gris Bronze Métal
- Jantes : ATS Cup
- Lien vers la présentation : viewtopic.php?f=2&t=9876
- Âge : 63
Re: Quoi qu'est ce ?
c'est de l'occas forcement
voici une photo ou on les apercois

voici une photo ou on les apercois

VW.GOLFSWAGG
L'expérience est une lanterne accrochée dans le dos, qui n'éclaire que le chemin parcouru.