Contrôle technique

Freinage, amortissement, rabaissement, jantes, direction, pneumatiques, etc...
Répondre
Auteur
richie1973
Général forumeur
Général forumeur
Messages : 3493
Enregistré le : mar. juil. 12, 2005 18:37 pm
Voiture : Golf 1 cabriolet
Année : 1989
Version : Best Seller
Motorisation : 2H : 1.8 l 98 cv
Couleur : LA5Y Bleu Hélios Métal
Jantes : AVUS (de série)
Localisation : COLMAR
Âge : 52
Contact :

Contrôle technique

Message par richie1973 »

Image

Sur la mienne que je viens de passer, je ne comprends pas ce qu'est le 52412. Il m'a dit que ce n'était ni le triangle, ni la rotule de direction.

Quelqu'un peut m'aider ?
Avatar du membre
yanncox
Hall of Fame
Hall of Fame
Messages : 4257
Enregistré le : mer. sept. 22, 2004 20:08 pm
Voiture : Cox
Localisation : chez moi!
Âge : 45
Contact :

Re: Contrôle technique

Message par yanncox »

soit les fixations de triangles, silent bloc fatigué ou alors du jeu dans la rotule de suspension.Je pense.
ImageImage

Une restauration c'est pas changer 4 bougies et faire une vidange...
Auteur
richie1973
Général forumeur
Général forumeur
Messages : 3493
Enregistré le : mar. juil. 12, 2005 18:37 pm
Voiture : Golf 1 cabriolet
Année : 1989
Version : Best Seller
Motorisation : 2H : 1.8 l 98 cv
Couleur : LA5Y Bleu Hélios Métal
Jantes : AVUS (de série)
Localisation : COLMAR
Âge : 52
Contact :

Re: Contrôle technique

Message par richie1973 »

Elle se trouve ou la rotule de suspension ?
Avatar du membre
yanncox
Hall of Fame
Hall of Fame
Messages : 4257
Enregistré le : mer. sept. 22, 2004 20:08 pm
Voiture : Cox
Localisation : chez moi!
Âge : 45
Contact :

Re: Contrôle technique

Message par yanncox »

c'est ce qui relie le porte moyeu et le triangle
ImageImage

Une restauration c'est pas changer 4 bougies et faire une vidange...
Auteur
richie1973
Général forumeur
Général forumeur
Messages : 3493
Enregistré le : mar. juil. 12, 2005 18:37 pm
Voiture : Golf 1 cabriolet
Année : 1989
Version : Best Seller
Motorisation : 2H : 1.8 l 98 cv
Couleur : LA5Y Bleu Hélios Métal
Jantes : AVUS (de série)
Localisation : COLMAR
Âge : 52
Contact :

Re: Contrôle technique

Message par richie1973 »

Merci à toi, quelqu'un aurait-il une photo ou un schéma ? QUe je sache exactement quelle pièce commander ?
Auteur
richie1973
Général forumeur
Général forumeur
Messages : 3493
Enregistré le : mar. juil. 12, 2005 18:37 pm
Voiture : Golf 1 cabriolet
Année : 1989
Version : Best Seller
Motorisation : 2H : 1.8 l 98 cv
Couleur : LA5Y Bleu Hélios Métal
Jantes : AVUS (de série)
Localisation : COLMAR
Âge : 52
Contact :

Re: Contrôle technique

Message par richie1973 »

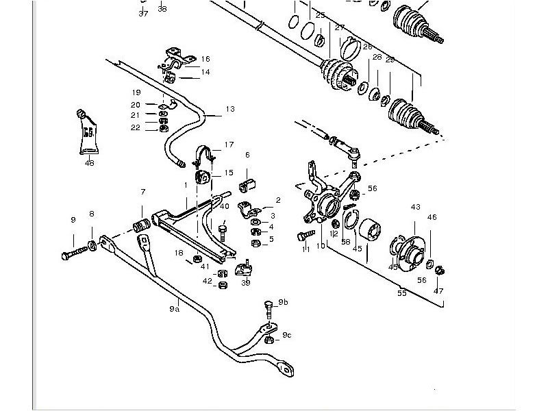
Image

C'est dans ce schéma ? C'est la 39 ?
Avatar du membre
yanncox
Hall of Fame
Hall of Fame
Messages : 4257
Enregistré le : mer. sept. 22, 2004 20:08 pm
Voiture : Cox
Localisation : chez moi!
Âge : 45
Contact :

Re: Contrôle technique

Message par yanncox »

39 c'est ça. D'origine elles sont rivetés.En échange elles sont vissées ;)
ImageImage

Une restauration c'est pas changer 4 bougies et faire une vidange...
Auteur
richie1973
Général forumeur
Général forumeur
Messages : 3493
Enregistré le : mar. juil. 12, 2005 18:37 pm
Voiture : Golf 1 cabriolet
Année : 1989
Version : Best Seller
Motorisation : 2H : 1.8 l 98 cv
Couleur : LA5Y Bleu Hélios Métal
Jantes : AVUS (de série)
Localisation : COLMAR
Âge : 52
Contact :

Re: Contrôle technique

Message par richie1973 »

Et que vaut-il mieux que je fasse d'après toi ? Changer les triangles complets ou seulement la rotule ?
Avatar du membre
yanncox
Hall of Fame
Hall of Fame
Messages : 4257
Enregistré le : mer. sept. 22, 2004 20:08 pm
Voiture : Cox
Localisation : chez moi!
Âge : 45
Contact :

Re: Contrôle technique

Message par yanncox »

Le tringle en lui même, à moins d'avoir pris un coup de trottoir il y a peu de chance qu'il soit endommager mais pour le prix d'un triangle neuf (avec silent bloc neuf) ne vaut pas le coup de s'embêter à changer uniquement les silent bloc, ce n'est que mon avis. Si tes silent bloc sont encore corrects, mieux vaut ne changer que la rotule qui de toute façon est vendue à part du triangle ;)
ImageImage

Une restauration c'est pas changer 4 bougies et faire une vidange...
Auteur
richie1973
Général forumeur
Général forumeur
Messages : 3493
Enregistré le : mar. juil. 12, 2005 18:37 pm
Voiture : Golf 1 cabriolet
Année : 1989
Version : Best Seller
Motorisation : 2H : 1.8 l 98 cv
Couleur : LA5Y Bleu Hélios Métal
Jantes : AVUS (de série)
Localisation : COLMAR
Âge : 52
Contact :

Re: Contrôle technique

Message par richie1973 »

ok, merci à toi.
Répondre

Retourner vers « Trains roulants »