Quel sonde huile pour 2h ?
-
vincent13480
- Commandant forumeur

- Messages : 536
- Enregistré le : ven. févr. 08, 2019 08:47 am
Re: Quel sonde huile pour 2h ?
Ah voilà peut être mon problème, le raccordement à la masse, mais où doit t il être raccordé normalement ?
Envoyé de mon VOG-L29 en utilisant Tapatalk
Envoyé de mon VOG-L29 en utilisant Tapatalk
-
coolraver
- Président forumeur

- Messages : 12313
- Enregistré le : mer. sept. 22, 2004 20:32 pm
- Voiture : Golf 1 cabriolet
- Année : 1985
- Version : GLI
- Motorisation : KT : 1.8 l 112 cv
- Couleur : LA8Y Gris Bronze Métal
- Jantes : ATS Cup
- Lien vers la présentation : viewtopic.php?f=2&t=9876
- Âge : 63
Re: Quel sonde huile pour 2h ?
c'est pas ce que j'ai dit...
met le fil a la masse pour voir si le voyant s’éteint, c'est une sonde a déclenchement de rupture de masse, la masse étant sur le moteur
si il s’éteint c'est un problème de sonde ou de pression
met le fil a la masse pour voir si le voyant s’éteint, c'est une sonde a déclenchement de rupture de masse, la masse étant sur le moteur
si il s’éteint c'est un problème de sonde ou de pression

VW.GOLFSWAGG
L'expérience est une lanterne accrochée dans le dos, qui n'éclaire que le chemin parcouru.
-
vincent13480
- Commandant forumeur

- Messages : 536
- Enregistré le : ven. févr. 08, 2019 08:47 am
Re: Quel sonde huile pour 2h ?
Ah OK j ai mieux compris 
Envoyé de mon VOG-L29 en utilisant Tapatalk

Envoyé de mon VOG-L29 en utilisant Tapatalk
-
vincent13480
- Commandant forumeur

- Messages : 536
- Enregistré le : ven. févr. 08, 2019 08:47 am
Re: Quel sonde huile pour 2h ?
Fil jaune mis à la masse et voyant toujours allumé ça devient mystérieux 
Envoyé de mon VOG-L29 en utilisant Tapatalk

Envoyé de mon VOG-L29 en utilisant Tapatalk
-
coolraver
- Président forumeur

- Messages : 12313
- Enregistré le : mer. sept. 22, 2004 20:32 pm
- Voiture : Golf 1 cabriolet
- Année : 1985
- Version : GLI
- Motorisation : KT : 1.8 l 112 cv
- Couleur : LA8Y Gris Bronze Métal
- Jantes : ATS Cup
- Lien vers la présentation : viewtopic.php?f=2&t=9876
- Âge : 63
Re: Quel sonde huile pour 2h ?
Don c'est un problème électrique
il faut regarder la continuité du fil jaune jusqu'en D 21 Connecteur blanc dans un 1er temps
puis le fil jaune du connecteur B rouge qui vas vers le connecteur du porte instrument en T11 (T étant le connecteur du compteur)
il faut regarder la continuité du fil jaune jusqu'en D 21 Connecteur blanc dans un 1er temps
puis le fil jaune du connecteur B rouge qui vas vers le connecteur du porte instrument en T11 (T étant le connecteur du compteur)

VW.GOLFSWAGG
L'expérience est une lanterne accrochée dans le dos, qui n'éclaire que le chemin parcouru.
-
vincent13480
- Commandant forumeur

- Messages : 536
- Enregistré le : ven. févr. 08, 2019 08:47 am
Re: Quel sonde huile pour 2h ?
Oui je pense que c est dans mon bordel derrière la boîte à fusible, j ai aussi cette prise bleu et jaune attaché c est normal ?
Envoyé de mon VOG-L29 en utilisant Tapatalk
Envoyé de mon VOG-L29 en utilisant Tapatalk
-
vincent13480
- Commandant forumeur

- Messages : 536
- Enregistré le : ven. févr. 08, 2019 08:47 am
-
coolraver
- Président forumeur

- Messages : 12313
- Enregistré le : mer. sept. 22, 2004 20:32 pm
- Voiture : Golf 1 cabriolet
- Année : 1985
- Version : GLI
- Motorisation : KT : 1.8 l 112 cv
- Couleur : LA8Y Gris Bronze Métal
- Jantes : ATS Cup
- Lien vers la présentation : viewtopic.php?f=2&t=9876
- Âge : 63
Re: Quel sonde huile pour 2h ?
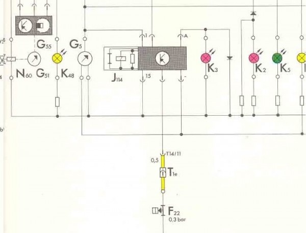
oui tu dois avoir un fil jaune avec un connecteur T1e , mal branché derrière la boite a fusiblevincent13480 a écrit : mer. mai 12, 2021 15:33 pm Oui je pense que c est dans mon bordel derrière la boîte à fusible, j ai aussi cette prise bleu et jaune attaché c est normal ?
Envoyé de mon VOG-L29 en utilisant Tapatalk
du moins c'est ce que dis le plan électrique du DX si c'est identique au 2 H

VW.GOLFSWAGG
L'expérience est une lanterne accrochée dans le dos, qui n'éclaire que le chemin parcouru.
-
vincent13480
- Commandant forumeur

- Messages : 536
- Enregistré le : ven. févr. 08, 2019 08:47 am

