HELP pompe à essence GLI/relais
-
ELEVEN
- Lieutenant forumeur

- Messages : 110
- Enregistré le : ven. déc. 18, 2020 23:46 pm
- Prénom : Pascal
- Voiture : Golf 1 cabriolet
- Année : 1986
- Version : GLI
- Motorisation : DX : 1.8 l 112 cv
- Couleur : LB7V Graphite Métal
- Jantes : AVUS (de série)
- Lien vers la présentation : https://www.golf1cabriolet.com/forum/vi ... =2&t=80005
- Localisation : Nissa la Bella
- Âge : 56
HELP pompe à essence GLI/relais
Bonjour à tous;
J'aurais besoin de vos lumières ou toute idée, pour solutionner le problème suivant:
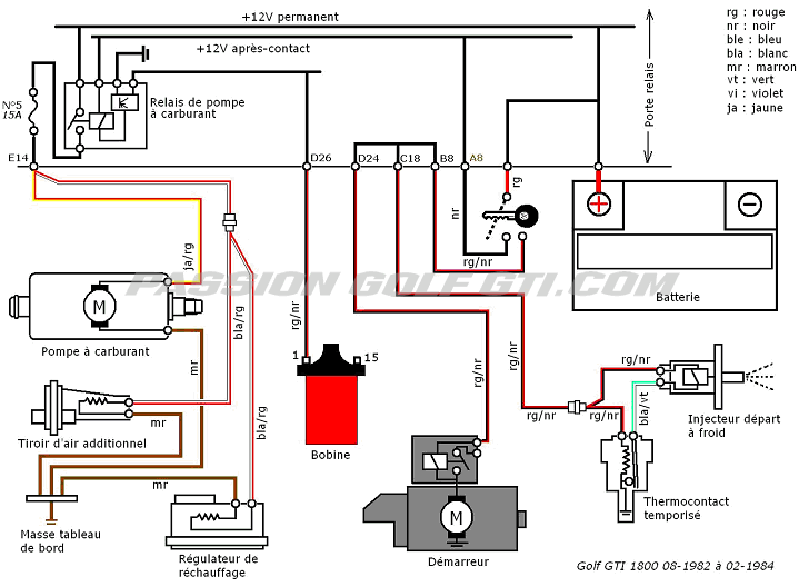
La pompe à essence électrique de mon GLI, n'est pas alimenté, sauf si le ponte le 12V permanent (borne 30) ou 12 V après contact (borne 15), vers la pompe,borne de sortie (87) . le circuit après relais , fusible et pompe, fonctionnent donc bien.
J'en ai donc déduit que le relais était HS; mais 2 relais neuf (VW) n'ont rien changés:
J'ai tout controlé au niveau du boitier électrique porte relais/fusible:
le 12V permanent sur borne 30: ok
la masse OK
le 12V après contact borne 15, ok
il me reste l'histoire de l'impulsion, émise par la bobine, après contact, borne 1: je ne comprends pas bien les valeurs que je dois trouver:
sans contact: 0V, ok, après contact ça passe de 6/7V à 12V au bout de 2 secondes, en valeur continue.
Je ne comprends pas le fonctionnement de cette information supplémentaire, transmise au relais,car, avant le problème, la pompe se lançait dès contact mis, pour 2/3secondes, le temps de remplir le réservoir tampon, je suppose. Là plus aucun fonctionnement. Vu que tous les autres contacts sont OK, le problème vient peut-être de là, mais je ne sais pas comment tester/controler ça!
pour mémoire , je me suis basé sur les infos ci-dessous,trouvée sur le forum:
" Ton relai de pompe à essence est un relai classique dans ça parti puissance, puisqu'il envoie du + 30 sur la pompe à essence.
En ce qui concerne la partie commande il est bien spécifique puisqu'il est commandé dans un premier temps par le + après contact (borne 15), mais ceci ne suffie pas à mettre ta pompe en fonctionnement, puisqu'il faut des impulsions de la borne 1 de la bobine pour que la mise en fonctionnement ce fasse. Ceci est une sécurité car lorsqu'un accident intervient et que le moteur câle, il n'y a donc plus d'impulsions de la bobine donc la pompe s'arrête pour ne pas risquer un incendit lorsqu'une durite est arrachée lors l'accident.
De plus les impulsions de la bobine donne l'information à ton relai pour couper l'alimentation de la pompe au régime de rupteur"
L'un de vous, pourrait-il m'élcairer à ce sujet,ou toute autre idée, car je deviens chèvre..
PAR AVANCE, MERCI!!
J'aurais besoin de vos lumières ou toute idée, pour solutionner le problème suivant:
La pompe à essence électrique de mon GLI, n'est pas alimenté, sauf si le ponte le 12V permanent (borne 30) ou 12 V après contact (borne 15), vers la pompe,borne de sortie (87) . le circuit après relais , fusible et pompe, fonctionnent donc bien.
J'en ai donc déduit que le relais était HS; mais 2 relais neuf (VW) n'ont rien changés:
J'ai tout controlé au niveau du boitier électrique porte relais/fusible:
le 12V permanent sur borne 30: ok
la masse OK
le 12V après contact borne 15, ok
il me reste l'histoire de l'impulsion, émise par la bobine, après contact, borne 1: je ne comprends pas bien les valeurs que je dois trouver:
sans contact: 0V, ok, après contact ça passe de 6/7V à 12V au bout de 2 secondes, en valeur continue.
Je ne comprends pas le fonctionnement de cette information supplémentaire, transmise au relais,car, avant le problème, la pompe se lançait dès contact mis, pour 2/3secondes, le temps de remplir le réservoir tampon, je suppose. Là plus aucun fonctionnement. Vu que tous les autres contacts sont OK, le problème vient peut-être de là, mais je ne sais pas comment tester/controler ça!
pour mémoire , je me suis basé sur les infos ci-dessous,trouvée sur le forum:
" Ton relai de pompe à essence est un relai classique dans ça parti puissance, puisqu'il envoie du + 30 sur la pompe à essence.
En ce qui concerne la partie commande il est bien spécifique puisqu'il est commandé dans un premier temps par le + après contact (borne 15), mais ceci ne suffie pas à mettre ta pompe en fonctionnement, puisqu'il faut des impulsions de la borne 1 de la bobine pour que la mise en fonctionnement ce fasse. Ceci est une sécurité car lorsqu'un accident intervient et que le moteur câle, il n'y a donc plus d'impulsions de la bobine donc la pompe s'arrête pour ne pas risquer un incendit lorsqu'une durite est arrachée lors l'accident.
De plus les impulsions de la bobine donne l'information à ton relai pour couper l'alimentation de la pompe au régime de rupteur"
L'un de vous, pourrait-il m'élcairer à ce sujet,ou toute autre idée, car je deviens chèvre..
PAR AVANCE, MERCI!!
-
MIALHE
- Général forumeur

- Messages : 3194
- Enregistré le : lun. févr. 19, 2007 18:29 pm
- Voiture : Golf 1 cabriolet
- Année : 1987
- Version : GLI
- Motorisation : DX : 1.8 l 112 cv
- Jantes : Autre Modèle
- Localisation : A côté d'ALBI
- Âge : 54
Re: HELP pompe à essence GLI/relais
Pour être sur que le problème vient bien de l'impulsion de la bobine, tu peux essayer de mettre le relais de décharge X à la place du relais de pompe.
Le relais de décharge X n'a pas besoin d'impulsion de la bobine pour fonctionner, par contre les pompes tournent dès la mise au contact.
Si ça fonctionne comme ça, c'est bien que tu as un problème avec la bobine d'impulsions.
Ca peux être aussi la mauvaise ref du relais de pompe car il y a plusieurs modèles.
Envoyé de mon iPhone en utilisant Tapatalk
Le relais de décharge X n'a pas besoin d'impulsion de la bobine pour fonctionner, par contre les pompes tournent dès la mise au contact.
Si ça fonctionne comme ça, c'est bien que tu as un problème avec la bobine d'impulsions.
Ca peux être aussi la mauvaise ref du relais de pompe car il y a plusieurs modèles.
Envoyé de mon iPhone en utilisant Tapatalk
MERCI :sup
GOLF CAB GLI 1800 DX 1987

GOLF CAB GLI 1800 DX 1987
-
coolraver
- Président forumeur

- Messages : 12312
- Enregistré le : mer. sept. 22, 2004 20:32 pm
- Voiture : Golf 1 cabriolet
- Année : 1985
- Version : GLI
- Motorisation : KT : 1.8 l 112 cv
- Couleur : LA8Y Gris Bronze Métal
- Jantes : ATS Cup
- Lien vers la présentation : https://www.golf1cabriolet.com/forum/vi ... f=2&t=9876
- Âge : 63
Re: HELP pompe à essence GLI/relais
j'ai rien compris
quel est le probleme exactement ?
c'est quoi la ref et le numéro de tes relais acheter chez vw
quel est le probleme exactement ?
c'est quoi la ref et le numéro de tes relais acheter chez vw

VW.GOLFSWAGG
L'expérience est une lanterne accrochée dans le dos, qui n'éclaire que le chemin parcouru.
-
ELEVEN
- Lieutenant forumeur

- Messages : 110
- Enregistré le : ven. déc. 18, 2020 23:46 pm
- Prénom : Pascal
- Voiture : Golf 1 cabriolet
- Année : 1986
- Version : GLI
- Motorisation : DX : 1.8 l 112 cv
- Couleur : LB7V Graphite Métal
- Jantes : AVUS (de série)
- Lien vers la présentation : https://www.golf1cabriolet.com/forum/vi ... =2&t=80005
- Localisation : Nissa la Bella
- Âge : 56
Re: HELP pompe à essence GLI/relais
Bonsoir;
Miahle, je confirme, j'ai testé en plaçant un relais de puissance standard, la pompe tourne en continu, dès la mise du contact;
Coolraver, ce n'est pas un relais acheté chez vw ( plus dispo depuis des années ), mais un relais estampillé vw; réf 321906059G (relais 62), exactement celui qui était à l'origine sur le porte relais, et qui fonctionnait.
merci de votre aide,
Miahle, je confirme, j'ai testé en plaçant un relais de puissance standard, la pompe tourne en continu, dès la mise du contact;
Coolraver, ce n'est pas un relais acheté chez vw ( plus dispo depuis des années ), mais un relais estampillé vw; réf 321906059G (relais 62), exactement celui qui était à l'origine sur le porte relais, et qui fonctionnait.
merci de votre aide,
-
ELEVEN
- Lieutenant forumeur

- Messages : 110
- Enregistré le : ven. déc. 18, 2020 23:46 pm
- Prénom : Pascal
- Voiture : Golf 1 cabriolet
- Année : 1986
- Version : GLI
- Motorisation : DX : 1.8 l 112 cv
- Couleur : LB7V Graphite Métal
- Jantes : AVUS (de série)
- Lien vers la présentation : https://www.golf1cabriolet.com/forum/vi ... =2&t=80005
- Localisation : Nissa la Bella
- Âge : 56
Re: HELP pompe à essence GLI/relais
Coolraver;
le probleme est le suivant; malgré que le relais semble alimenté correctement,en 12V permanent et 12V après contact; il ne se colle pas (j'ai testé avec 3 relais du même type, dont 2 neufs); vu qu'avec un relais standard en X, la pompe se met en marche dès contact mis, je pense à un problème au niveau des impulsions que doit transmettre la bobine, mais je ne sais pas comment tester/controler ça. un voltage progressif de 7 jusqu'à 17V continu, apparait, sur cette borne, après contact; mais je ne sais pas comment interpéter cette donnée; et quand on parle d'"impulsion" , est-elle représentée par un courant continu?
le probleme est le suivant; malgré que le relais semble alimenté correctement,en 12V permanent et 12V après contact; il ne se colle pas (j'ai testé avec 3 relais du même type, dont 2 neufs); vu qu'avec un relais standard en X, la pompe se met en marche dès contact mis, je pense à un problème au niveau des impulsions que doit transmettre la bobine, mais je ne sais pas comment tester/controler ça. un voltage progressif de 7 jusqu'à 17V continu, apparait, sur cette borne, après contact; mais je ne sais pas comment interpéter cette donnée; et quand on parle d'"impulsion" , est-elle représentée par un courant continu?
-
MIALHE
- Général forumeur

- Messages : 3194
- Enregistré le : lun. févr. 19, 2007 18:29 pm
- Voiture : Golf 1 cabriolet
- Année : 1987
- Version : GLI
- Motorisation : DX : 1.8 l 112 cv
- Jantes : Autre Modèle
- Localisation : A côté d'ALBI
- Âge : 54
HELP pompe à essence GLI/relais
Si c'est des impulsions, je pense qu'il faut prendre la tension en réglant le multimètre sur alternatif.
Mais la, je suis pas sur de moi.
Mieux vaut attendre la réponse des pros
Il me semble que ce sont les mêmes impulsions qui font tourner le compte tour
Il fonctionne le tient ?
Envoyé de mon iPhone en utilisant Tapatalk
Mais la, je suis pas sur de moi.
Mieux vaut attendre la réponse des pros

Il me semble que ce sont les mêmes impulsions qui font tourner le compte tour
Il fonctionne le tient ?
Envoyé de mon iPhone en utilisant Tapatalk
MERCI :sup
GOLF CAB GLI 1800 DX 1987

GOLF CAB GLI 1800 DX 1987
-
ELEVEN
- Lieutenant forumeur

- Messages : 110
- Enregistré le : ven. déc. 18, 2020 23:46 pm
- Prénom : Pascal
- Voiture : Golf 1 cabriolet
- Année : 1986
- Version : GLI
- Motorisation : DX : 1.8 l 112 cv
- Couleur : LB7V Graphite Métal
- Jantes : AVUS (de série)
- Lien vers la présentation : https://www.golf1cabriolet.com/forum/vi ... =2&t=80005
- Localisation : Nissa la Bella
- Âge : 56
Re: HELP pompe à essence GLI/relais
Yes, mon compte tour fonctionne; je testerais en position alternatif,
merci
merci
-
coolraver
- Président forumeur

- Messages : 12312
- Enregistré le : mer. sept. 22, 2004 20:32 pm
- Voiture : Golf 1 cabriolet
- Année : 1985
- Version : GLI
- Motorisation : KT : 1.8 l 112 cv
- Couleur : LA8Y Gris Bronze Métal
- Jantes : ATS Cup
- Lien vers la présentation : https://www.golf1cabriolet.com/forum/vi ... f=2&t=9876
- Âge : 63
Re: HELP pompe à essence GLI/relais
ELEVEN a écrit : dim. oct. 16, 2022 22:27 pm Bonsoir;
Miahle, je confirme, j'ai testé en plaçant un relais de puissance standard, la pompe tourne en continu, dès la mise du contact;
Coolraver, ce n'est pas un relais acheté chez vw ( plus dispo depuis des années ), mais un relais estampillé vw; réf 321906059G (relais 62), exactement celui qui était à l'origine sur le porte relais, et qui fonctionnait.
merci de votre aide,
donc si je comprend bien tu ne sais pas si ce relais fonctionne ?
qu'apelle tu 3 relais du même type ? d'ou sorte ces relais vu qu'ils ne sont plus dispo chez vw ? est tu sur que se sont les bons ?

VW.GOLFSWAGG
L'expérience est une lanterne accrochée dans le dos, qui n'éclaire que le chemin parcouru.
-
ELEVEN
- Lieutenant forumeur

- Messages : 110
- Enregistré le : ven. déc. 18, 2020 23:46 pm
- Prénom : Pascal
- Voiture : Golf 1 cabriolet
- Année : 1986
- Version : GLI
- Motorisation : DX : 1.8 l 112 cv
- Couleur : LB7V Graphite Métal
- Jantes : AVUS (de série)
- Lien vers la présentation : https://www.golf1cabriolet.com/forum/vi ... =2&t=80005
- Localisation : Nissa la Bella
- Âge : 56
Re: HELP pompe à essence GLI/relais
J'ai le relais d'origine, qui "semblait" ne plus fonctionner ,un relais "générique", acheté en OEM en équivalence pour la référence VW; et le même relais que le 1er, réf VW, trouvé chez mecatec. J'étais surpris de le trouver, mais c'est bien l'original, jusqu'à présent introuvable! avec la bonne référence, la même que le 1er jusqu'à présent en place.
-
coolraver
- Président forumeur

- Messages : 12312
- Enregistré le : mer. sept. 22, 2004 20:32 pm
- Voiture : Golf 1 cabriolet
- Année : 1985
- Version : GLI
- Motorisation : KT : 1.8 l 112 cv
- Couleur : LA8Y Gris Bronze Métal
- Jantes : ATS Cup
- Lien vers la présentation : https://www.golf1cabriolet.com/forum/vi ... f=2&t=9876
- Âge : 63
Re: HELP pompe à essence GLI/relais
il y a eu deux types de relais selon les années
le 2 et le 62 soit avant et après 88
pour moi le 62 est d'après 88 et ton profil annonce une cab 1986, peu être que tu n'a pas le bon
Ca marchais avant ?;)
le 2 et le 62 soit avant et après 88
pour moi le 62 est d'après 88 et ton profil annonce une cab 1986, peu être que tu n'a pas le bon
Ca marchais avant ?;)

VW.GOLFSWAGG
L'expérience est une lanterne accrochée dans le dos, qui n'éclaire que le chemin parcouru.
-
ELEVEN
- Lieutenant forumeur

- Messages : 110
- Enregistré le : ven. déc. 18, 2020 23:46 pm
- Prénom : Pascal
- Voiture : Golf 1 cabriolet
- Année : 1986
- Version : GLI
- Motorisation : DX : 1.8 l 112 cv
- Couleur : LB7V Graphite Métal
- Jantes : AVUS (de série)
- Lien vers la présentation : https://www.golf1cabriolet.com/forum/vi ... =2&t=80005
- Localisation : Nissa la Bella
- Âge : 56
Re: HELP pompe à essence GLI/relais
Merci pour cette précision d'année; mais ,effectivement, un 62 fonctionnait auparavant, sans problèmes. Je peux tenter de trouver un relais N°2, s'il se trouve encore , plus qu'à trouver la ref sur EKTA
-
coolraver
- Président forumeur

- Messages : 12312
- Enregistré le : mer. sept. 22, 2004 20:32 pm
- Voiture : Golf 1 cabriolet
- Année : 1985
- Version : GLI
- Motorisation : KT : 1.8 l 112 cv
- Couleur : LA8Y Gris Bronze Métal
- Jantes : ATS Cup
- Lien vers la présentation : https://www.golf1cabriolet.com/forum/vi ... f=2&t=9876
- Âge : 63
Re: HELP pompe à essence GLI/relais
j'ai vu ton profil, vu l’état du faisceau t'aura plus vite fait déjà d'acheter une BAF en bonne état 

VW.GOLFSWAGG
L'expérience est une lanterne accrochée dans le dos, qui n'éclaire que le chemin parcouru.
-
ELEVEN
- Lieutenant forumeur

- Messages : 110
- Enregistré le : ven. déc. 18, 2020 23:46 pm
- Prénom : Pascal
- Voiture : Golf 1 cabriolet
- Année : 1986
- Version : GLI
- Motorisation : DX : 1.8 l 112 cv
- Couleur : LB7V Graphite Métal
- Jantes : AVUS (de série)
- Lien vers la présentation : https://www.golf1cabriolet.com/forum/vi ... =2&t=80005
- Localisation : Nissa la Bella
- Âge : 56
Re: HELP pompe à essence GLI/relais
BAF? boitier porte relais/fusibles? si oui, c'est fait; j'ai même testé avec l'ancien, au cas où: et j'ai bien la continuité, entre les broches d'entrées de chaque borne et les fiches femelles de la borne recevant le relais, tout est OK
-
Bllizz
- Cadet forumeur
- Messages : 13
- Enregistré le : dim. mai 07, 2023 17:58 pm
- Voiture : Golf 1 cabriolet
- Année : 1986
- Version : GLI
- Motorisation : KT : 1.8 l 112 cv
- Couleur : LK7V Gris Pierre Métal
Re: HELP pompe à essence GLI/relais
Hello ELEVEN,
Est-ce que tu as eu des avancements sur ton problème ? J'ai exactement le même soucis que toi, le relais 62 qui ne fonctionne pas (testé avec un relai 65 et ne fonctionne pas mieux). En revanche avec le relai de décharge X les pompes tournent bien dès contact.
Le compte-tour fonctionne très bien. J'hésite donc entre un problème de la bobine / capteur à effet Hall / module tsz ? J'ai de la peine à définir quel élément génère l’impulsion pour le relai. Si vous avez des pistes je suis intéressé. J'ai mesuré la continuité de à peu près tous les fils entre la bobine, le module tsz et le relai 62, et tout semble ok.
Merci d'avance pour l'aide,
Est-ce que tu as eu des avancements sur ton problème ? J'ai exactement le même soucis que toi, le relais 62 qui ne fonctionne pas (testé avec un relai 65 et ne fonctionne pas mieux). En revanche avec le relai de décharge X les pompes tournent bien dès contact.
Le compte-tour fonctionne très bien. J'hésite donc entre un problème de la bobine / capteur à effet Hall / module tsz ? J'ai de la peine à définir quel élément génère l’impulsion pour le relai. Si vous avez des pistes je suis intéressé. J'ai mesuré la continuité de à peu près tous les fils entre la bobine, le module tsz et le relai 62, et tout semble ok.
Merci d'avance pour l'aide,
-
Bllizz
- Cadet forumeur
- Messages : 13
- Enregistré le : dim. mai 07, 2023 17:58 pm
- Voiture : Golf 1 cabriolet
- Année : 1986
- Version : GLI
- Motorisation : KT : 1.8 l 112 cv
- Couleur : LK7V Gris Pierre Métal
Re: HELP pompe à essence GLI/relais
Hello,
Suite à mon dernier message :
Comme je faisais souvent des essais sur les parties électriques, je ne fixais pas entièrement la "cosse" négative sur la batterie. En fait, je l'insérais juste sur le pôle pour pouvoir débrancher la batterie plus rapidement. Puis, je ne sais plus pour quelle raison, à un moment j'ai décidé de serrer complètement la cosse négative. Et là : miracle ! Le relai de la pompe à essence s'active correctement
.
Par après j'ai remarqué que deux masses étaient raccordés au niveau de la vis de serrage de la cosse. Sans la serrer entièrement, la connexion ne se fait pas forcément et donc certaines choses ne fonctionnent pas...
Voilà, en espérant que cela puisse aider quelqu'un,
A+
Suite à mon dernier message :
J'ai suivi le manuel de réparation moteur à injection K-Jetronic , chapitre "Allumage TSZ-H : Vérification". Le module d'allumage était défectueux, j'ai dû le remplacer. Après remplacement, cela fonctionnait déjà mieux (j'avais les bonnes tensions et les bons signaux), mais toujours pas d'activation du relais...Bllizz a écrit : lun. juin 12, 2023 21:33 pm Hello ELEVEN,
Est-ce que tu as eu des avancements sur ton problème ? J'ai exactement le même soucis que toi, le relais 62 qui ne fonctionne pas (testé avec un relai 65 et ne fonctionne pas mieux). En revanche avec le relai de décharge X les pompes tournent bien dès contact.
Le compte-tour fonctionne très bien. J'hésite donc entre un problème de la bobine / capteur à effet Hall / module tsz ? J'ai de la peine à définir quel élément génère l’impulsion pour le relai. Si vous avez des pistes je suis intéressé. J'ai mesuré la continuité de à peu près tous les fils entre la bobine, le module tsz et le relai 62, et tout semble ok.
Merci d'avance pour l'aide,
Comme je faisais souvent des essais sur les parties électriques, je ne fixais pas entièrement la "cosse" négative sur la batterie. En fait, je l'insérais juste sur le pôle pour pouvoir débrancher la batterie plus rapidement. Puis, je ne sais plus pour quelle raison, à un moment j'ai décidé de serrer complètement la cosse négative. Et là : miracle ! Le relai de la pompe à essence s'active correctement
Par après j'ai remarqué que deux masses étaient raccordés au niveau de la vis de serrage de la cosse. Sans la serrer entièrement, la connexion ne se fait pas forcément et donc certaines choses ne fonctionnent pas...
Voilà, en espérant que cela puisse aider quelqu'un,
A+