Joints boite 5

Culasse, Boite de vitesses, Circuits d'huile et d'essence, échappement, etc...
Auteur
Louis91
Lieutenant forumeur
Lieutenant forumeur
Messages : 154
Enregistré le : dim. déc. 06, 2015 22:28 pm
Voiture : Golf 1 cabriolet

Joints boite 5

Message par Louis91 »

Salut Tout le monde,

Comme vous avez pu le voir pour certain sur Facebook, j'ai ma boite qui fuit....
On m'a dit que cela venait du joint spy de l'arbre supérieur.

Tant qu'a faire tomber la boite, je souhaite changer l'ensemble des joints spy afin de ne plus avoir de problème après le remontage...
Seulement je ne sais pas quels sont les joints qu'il faut commander et ou.

C'est une boite 5 sur un moteur 2H de 92.

Merci d'avance, je pense que ça peut servir a d'autre..
Avatar du membre
cdrik915
Colonel forumeur
Colonel forumeur
Messages : 1478
Enregistré le : lun. févr. 04, 2013 16:58 pm
Prénom : Cedric
Voiture : Golf 1 cabriolet
Année : 1988
Version : GLI
Motorisation : DX : 1.8 l 112 cv
Couleur : LA5Y Bleu Hélios Métal
Jantes : BBS RM
Âge : 56

Re: Joints boite 5

Message par cdrik915 »

Il faut le type de boite qui est inscrit dessus.

Car les spi varient,

Et ils ne sont pas tous identiques contrairement a ce que dit Mecasputnik.....................
LIGHTER = FASTER !!!
Avatar du membre
olive4
Documentaliste
Documentaliste
Messages : 34699
Enregistré le : mer. mars 30, 2011 22:40 pm
Prénom : Olivier
Voiture : Golf 1 cabriolet
Année : 1991
Version : Bel Air (mono-ton)
Motorisation : EX : 1.8 l 90 cv
Couleur : L90E Blanc Alpin
Jantes : LE CASTELLET 14' (de série)
Lien vers la présentation : https://www.golf1cabriolet.com/forum/vi ... =2&t=28389
Localisation : Alpes Maritimes (06)
Âge : 57

Re: Joints boite 5

Message par olive4 »

Sur une 2H c'est forcément une boîte AUG.
Image
Image
Auteur
Louis91
Lieutenant forumeur
Lieutenant forumeur
Messages : 154
Enregistré le : dim. déc. 06, 2015 22:28 pm
Voiture : Golf 1 cabriolet

Re: Joints boite 5

Message par Louis91 »

Je vais regarder ce soir pour être sur, on le voit sous la voiture c'est ça ?
Avatar du membre
olive4
Documentaliste
Documentaliste
Messages : 34699
Enregistré le : mer. mars 30, 2011 22:40 pm
Prénom : Olivier
Voiture : Golf 1 cabriolet
Année : 1991
Version : Bel Air (mono-ton)
Motorisation : EX : 1.8 l 90 cv
Couleur : L90E Blanc Alpin
Jantes : LE CASTELLET 14' (de série)
Lien vers la présentation : https://www.golf1cabriolet.com/forum/vi ... =2&t=28389
Localisation : Alpes Maritimes (06)
Âge : 57

Re: Joints boite 5

Message par olive4 »

Étiquette de coffre est le plus facile si la boîte est d'origine.
Image
Image
Avatar du membre
summit
Colonel forumeur
Colonel forumeur
Messages : 1557
Enregistré le : dim. avr. 11, 2010 09:42 am
Prénom : Laurent
Voiture : Golf 1 cabriolet
Année : 1979
Version : GLI
Motorisation : CE : 1.6 l 110 cv
Couleur : LA7Y Gris Étain Métal
Jantes : BBS RA (de série)
Localisation : Toulouse

Re: Joints boite 5

Message par summit »

Sinon,, c'est frappé à froid dessous.
Auteur
Louis91
Lieutenant forumeur
Lieutenant forumeur
Messages : 154
Enregistré le : dim. déc. 06, 2015 22:28 pm
Voiture : Golf 1 cabriolet

Re: Joints boite 5

Message par Louis91 »

D'acc je vais regarder sur l'étiquette de coffre mais il me semble qu'il y ait marqué AUG...
Auteur
Louis91
Lieutenant forumeur
Lieutenant forumeur
Messages : 154
Enregistré le : dim. déc. 06, 2015 22:28 pm
Voiture : Golf 1 cabriolet

Re: Joints boite 5

Message par Louis91 »

Ouais c'est bien une boîte AUG...

Il y a combien de joints spy au final ?
Auteur
Louis91
Lieutenant forumeur
Lieutenant forumeur
Messages : 154
Enregistré le : dim. déc. 06, 2015 22:28 pm
Voiture : Golf 1 cabriolet

Re: Joints boite 5

Message par Louis91 »

Alors?
Est-ce que quelqu'un a déjà changé ses joints sur sa boîte AUG et voudrait bien me fournir la ref des joints qu'il faut que je commande...

Merci d'avance
Auteur
Louis91
Lieutenant forumeur
Lieutenant forumeur
Messages : 154
Enregistré le : dim. déc. 06, 2015 22:28 pm
Voiture : Golf 1 cabriolet

Re: Joints boite 5

Message par Louis91 »

Je viens de regarder j'ai de l'huile la ou le sélecteur de vitesse rentre dans le boite, il y a un soufflet j'ai mis la main dessus et il y a plein d'huile :(

Pouvez-vous me donner ce joint aussi svp ?
Avatar du membre
titous1983
Lieutenant forumeur
Lieutenant forumeur
Messages : 138
Enregistré le : dim. févr. 11, 2018 13:35 pm
Prénom : Anthony
Voiture : Golf 1 cabriolet
Année : 1991
Version : Classicline
Motorisation : EX : 1.8 l 90 cv
Couleur : LC6U Vert Classique Nacré
Jantes : LE CASTELLET 15' (de série)
Lien vers la présentation : https://www.golf1cabriolet.com/forum/vi ... =2&t=58525
Localisation : Nevers
Âge : 42

Re: Joints boite 5

Message par titous1983 »

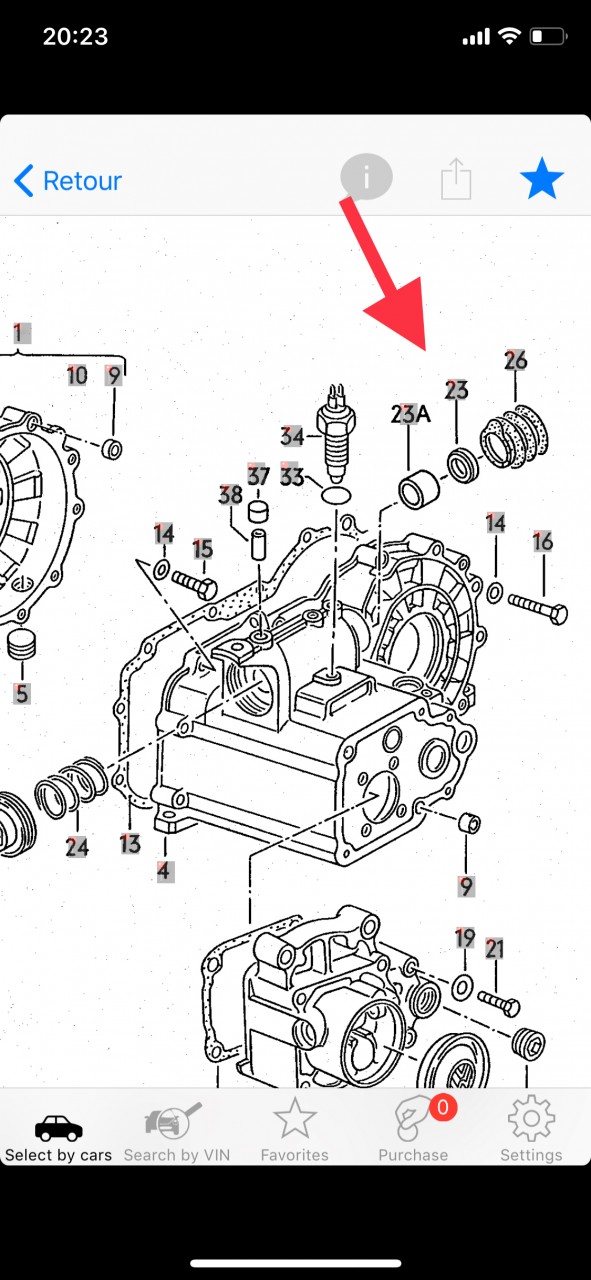
Il te faut celui la

https://www.mecatechnic.com/fr-FR/joint ... S20100.htm


Regarde l’éclaté ci joint pour être sûr mais je pense que tu parles de celui la !
A487740C-367C-4B38-B01A-E1FB8573A330.jpeg
Avatar du membre
titous1983
Lieutenant forumeur
Lieutenant forumeur
Messages : 138
Enregistré le : dim. févr. 11, 2018 13:35 pm
Prénom : Anthony
Voiture : Golf 1 cabriolet
Année : 1991
Version : Classicline
Motorisation : EX : 1.8 l 90 cv
Couleur : LC6U Vert Classique Nacré
Jantes : LE CASTELLET 15' (de série)
Lien vers la présentation : https://www.golf1cabriolet.com/forum/vi ... =2&t=58525
Localisation : Nevers
Âge : 42

Re: Joints boite 5

Message par titous1983 »

Nettoie bien aussi le soufflet et le joint spi et va faire un tour pour t’assurer que la fuite vienne bien de ce joint .
Auteur
Louis91
Lieutenant forumeur
Lieutenant forumeur
Messages : 154
Enregistré le : dim. déc. 06, 2015 22:28 pm
Voiture : Golf 1 cabriolet

Re: Joints boite 5

Message par Louis91 »

Super merci beaucoup, je vais contrôler ça ce soir.
Avatar du membre
Chreun
Colonel forumeur
Colonel forumeur
Messages : 2010
Enregistré le : jeu. mars 03, 2011 08:49 am
Prénom : René
Voiture : Golf 1 cabriolet
Année : 1990
Version : Cabriolet
Motorisation : EX : 1.8 l 90 cv
Couleur : LA7Y Gris Étain Métal
Jantes : BBS RA (de série)
Lien vers la présentation : https://www.golf1cabriolet.com/forum/vi ... 76#p392176
Localisation : [59]
Âge : 43

Re: Joints boite 5

Message par Chreun »

titous1983 a écrit :Il te faut celui la

https://www.mecatechnic.com/fr-FR/joint ... S20100.htm


Regarde l’éclaté ci joint pour être sûr mais je pense que tu parles de celui la !
A487740C-367C-4B38-B01A-E1FB8573A330.jpeg
Bonjour, je profite de ce post et de l'éclaté ci-joint pour questionner au sujet du soufflet référencé 26 est en triste état chez moi. Je n'ai pas trouvé cette pièce en neuf lors de précédentes recherches. Uniquement des soufflets issus d'autres boîtes/véhicules VAG.
Quelqu'un a une piste?

Envoyé de mon E6633 en utilisant Tapatalk

C'est pourtant facile de ne pas se tromper!
Avatar du membre
titous1983
Lieutenant forumeur
Lieutenant forumeur
Messages : 138
Enregistré le : dim. févr. 11, 2018 13:35 pm
Prénom : Anthony
Voiture : Golf 1 cabriolet
Année : 1991
Version : Classicline
Motorisation : EX : 1.8 l 90 cv
Couleur : LC6U Vert Classique Nacré
Jantes : LE CASTELLET 15' (de série)
Lien vers la présentation : https://www.golf1cabriolet.com/forum/vi ... =2&t=58525
Localisation : Nevers
Âge : 42

Re: Joints boite 5

Message par titous1983 »

Pas trouvé grand hormis peu être ce soufflet qui a l'air d'être identique

https://fr.hoffmann-speedster.com/bus/b ... e-vitesses

Renseignes toi aussi sur http://www.vwgolf-addict.fr/ ; il a très souvent ce qu'il faut aussi (:
Répondre

Retourner vers « Mécanique - Problèmes Moteur - Echappement »