Comme je l'ai dit dans ma présentation je restaure une golf 1 1.8L carbu boite 4 initialement.
1-J'ai eu des problèmes avec ce fichu pierburg 2e2 mais j'ai résolu l'affaire.
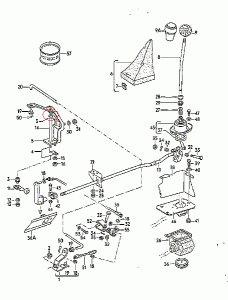
2-La tringlerie de boite à régler.... Et oui parce que j'ai sorti le moteur en entier pour le nettoyage.... ( au remontage la 5ième avait du mal mais j'ai fais 600Kms sans souci et sans ressentir de faiblesse).
3-Après ces 600Kms sur le chemin du retour à l'entrée de ma ville (ma petite karmann ma ramené quand même chez moi)
impossible de changer de rapports alors je pense quelle est bloquée en 2 ou 3 je n'arrive pas a savoir.
( je vous passe les détails qui viennent ce greffer tout au long de ma restauration ....capote, essieu arrière, nettoyage réservoir, etc...
Alors voila ou j'en suis maintenant
j'ai remonté ma boite 4 qui me semble elle grippée (du mal a passer les vitesses)
j'ai commencé à demonter la boite 5 mais voila après avoir consciencieusement regarder et suivi le post de ToMy313( viewtopic.php?f=7&t=36778 ) je suis moi aussi "bloqué"
la deuxième partie de la boite ne veux pas s'enlever
Les vidanges et remplissage de chacune ont été faite aussi
S'il vous plait aidez moi !!!!




